Renault Megane & Scenic 99-02
by Haynes
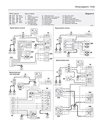
- Every manual is based upon a stripdown & rebuild, 700+ pictures and diagrams of your vehicle, Diagnose and solve problems with Haynes’ unique Fault Finder, We only show DIY friendly techniques, Save time and money on every job you do


















